多元刀具周邊設備與輔助工具一覽 #
在現代加工現場,完善的刀具周邊設備與輔助工具是提升生產效率與維護品質的關鍵。安威機具股份有限公司提供多樣化的周邊設備,協助用戶在刀具管理、夾持、維護與測量等方面獲得更佳體驗。
刀具架
刀具車
BT/ SK/ CAT 立臥兩用鎖刀座
CA 主軸清潔棒
CK 萬能夾具組
HP 油壓內藏式虎鉗
鑽頭研磨機
精巧型夾鉗
拉桿/拉釘
HSK 專用冷卻液導管
止付螺絲
扭力扳手
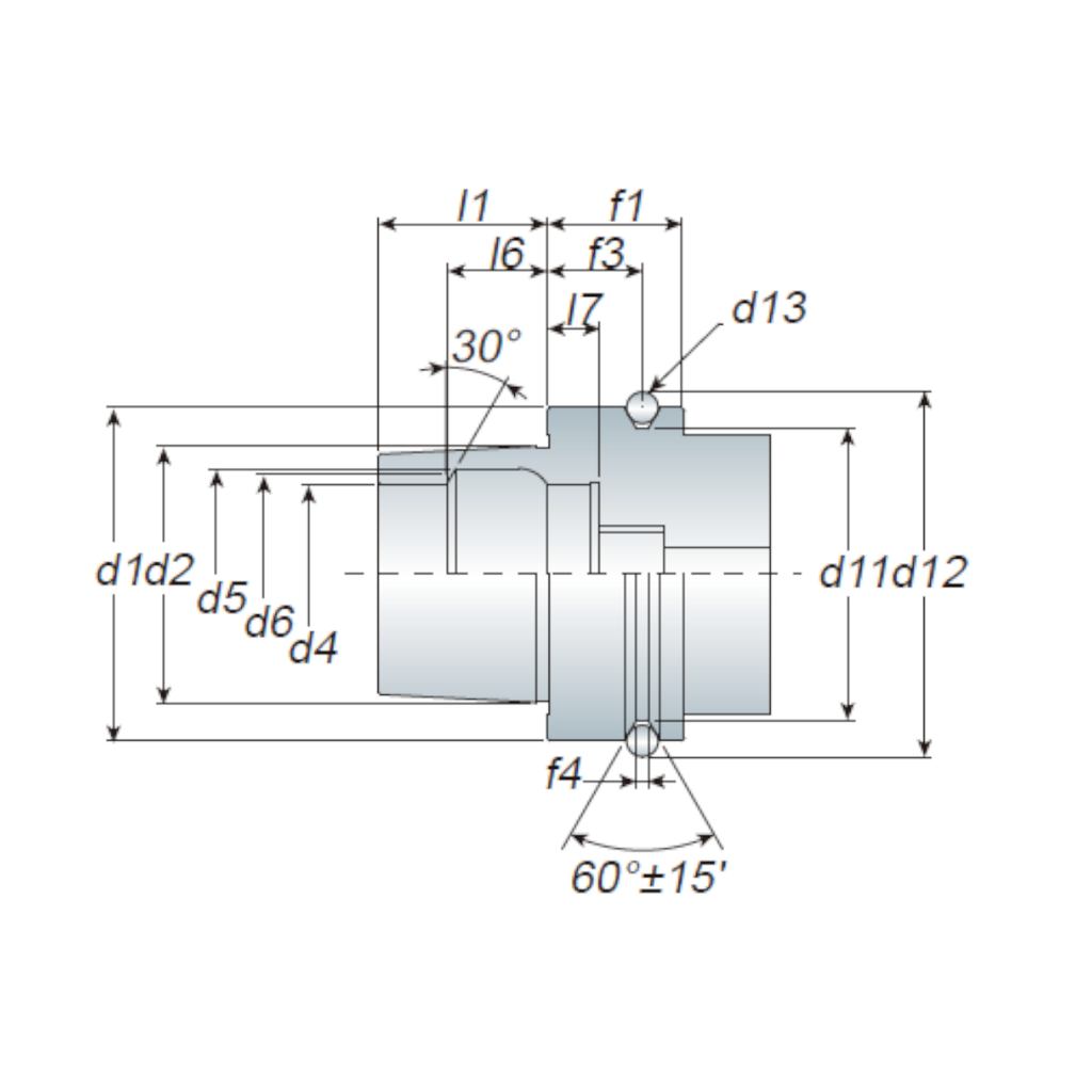
錐度柄尺寸資料
產品簡介 #
- 刀具架:有效收納與管理刀具,提升現場整潔度。
- 刀具車:方便刀具移動與存放,適合多工位作業。
- BT/SK/CAT 立臥兩用鎖刀座:多規格適用,提升刀具更換效率。
- CA 主軸清潔棒:維護主軸清潔,延長機台壽命。
- CK 萬能夾具組:多功能夾持,適用各式加工需求。
- HP 油壓內藏式虎鉗:穩定夾持工件,提升加工精度。
- 鑽頭研磨機:延長鑽頭壽命,降低耗材成本。
- 精巧型夾鉗:適合精密夾持需求。
- 拉桿/拉釘:確保刀具與主軸連接穩固。
- HSK 專用冷卻液導管:提升冷卻效率,保護刀具與工件。
- 止付螺絲:固定刀具位置,確保加工安全。
- 扭力扳手:精確控制鎖緊力矩,避免損壞。
- 錐度柄尺寸資料:提供標準尺寸參考,便於選型。
如需更多資訊或專業建議,歡迎聯絡我們。
安威機具股份有限公司
42952臺中市神岡區厚生路63-3號
電話:+886-4-2563-1259
傳真:+886-4-2563-1269, +886-4-2561-3712
信箱:annway.tools@msa.hinet.net